友情链接 不锈钢渠道闸门 瓷瓶绝缘子 七氟丙烷气体灭火器 RNA pull down实验 网布生产厂家 人体模型 物联网卡 物联卡 破碎机生产厂家 净化板材 电梯维保


1、采用阻燃非金属外壳,体积轻巧,安装方便
2、采集各电能表的实时电能示值、日零点冻结电能示值、抄表日零点冻结电能示值
3、可远程或本地设置和查询抄表方案

集中器采集各电能表的实时电能示值、日零点冻结电能示值、抄表日零点冻结电能示值。电能数据保存时应带有时标。

集中器能够按要求对采集数据进行分类存储,如日冻结数据、抄表日冻结数据、曲线数据、历史月数据等。

管理机能够根据设置的事件属性,将事件按重要事件和一般事件分类记录。事件包括终端参数变更、抄表失败、终端停/上电,电能表时钟超差等,且能够保存最近500条事件记录。

通过管理机可以对应任意用户支持远程加密充值或退费。
| 电压输入 | 额定电压 | 3×220V/380V,允许偏差-30%~+30%。 |
| 参比频率 | 50Hz,允许偏差-6%~+2%。 | |
| 计量精度 | 电压 | 0.5% |
| 电流 | 0.5% | |
| 工作环境 | 工作温度 | -25℃~+70℃ |
| 相对湿度 | 10%~100% | |
| 功率消耗 | | 非通信状态下<9W,12VA |
| 时钟 | 时钟精度 | ≤±1s/d。 |
| 时钟电池 | 1.2Ah锂离子环保电池 | |
| 绝缘性能 | 工频耐压 | 2.5kV |
| 冲击耐压 | 6kV | |
| 静电放电 | 8kV | |
| 数据传输 | 通信方式 | GPRS/CDMA,低压电力载波和有线通信方式 |
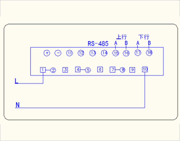
| 硬件接口 | RS485接口2路;红外接口1路 |




将管理机固定定到仪表箱,接口按接线图要求接好,建议用铜线或铜接线头接入。